【結構圖片】

【結構說明】
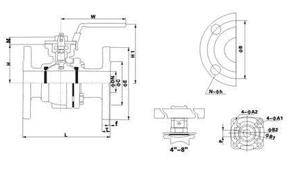
上海凱利科為您提供不銹鋼法蘭高平臺球閥結構圖,本結構圖希望對您有所幫助。
1、不銹鋼法蘭高平臺球閥結構設計的主要依據國家相關標準規定設計。
2、不銹鋼法蘭高平臺球閥所采用的通用做法和標準構件圖集。
3、如有特殊不銹鋼法蘭高平臺球閥構件需作結構性能檢驗時,應指出檢驗的方法與要求。
4、不銹鋼法蘭高平臺球閥主要根據剖面、長度、高度、外形等作出說明。
5、不銹鋼法蘭高平臺球閥所選用結構材料的品種、規格、性能及相應的產品標準。
【結構總結】
不銹鋼法蘭高平臺球閥結構主要是給安裝單位提供具有更好的了解該不銹鋼法蘭高平臺球閥的外形結構、使用時考慮到工況、環境等因數在應用中有著更合理的計劃規范,不會在安裝時產生空間使用不合理等常見問題。本結構圖所屬上海凱利科閥門有限公司提供,并提供相關外形尺寸,在應用中可以作為參考。